107系列微差压开关
差压开关
348
开关概述
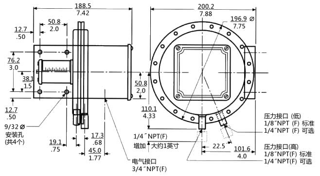
大膜片微差压开关是一种可靠的现场可安装仪表,为过程应用而设计。通过大面积感知膜片,该仪表可以精确读取非常低的压力。开关元件是SPDT型的。外部设置点调节实现了可视化,简化了开关的标定。
应用
该开关适用于HVAC(供热通风与空气调节)和燃烧管理系统的通风管路,还适用于跟湿式零件兼容的工业气体和瓦斯。标准模块可用于防水或防爆的环境。
特性和优点
- 设置点可通过可视化界面在外部调整
- 设置点精度高
- 死区窄
- 可重复性高
- 快速反应开关通过CE注册和CSA认证
- 防水开关标配螺纹终端;防爆开关标配线束连接
- 可靠性设计
- 三年质保
上海恪而勤科技有限公司温州分公司



