Email: 123-s-oer.com TEL: 133 5613 6976
RB系列对向活塞差压开关

RB系列对向活塞差压开关

差压开关 688 0

开关概述

对向活塞式差压开关由两个静态“O”型圈压力传感器连接在一个公用的活塞轴上组成。外壳防水防爆。开关元件是SPDT或DPDT型。

特性和优点

  • 完整的产品线
    标准模块提供很多选项,可覆盖3.44KPa至6.9MPa,还可定制客户化需求。
  • 现场可调节
    高精度设置点,自锁调节,无需特殊工具。工厂标定免收费用。
  • 仪器质量
    重复性好,死区窄,温度效应可忽略。
  • 结构
    承受高变化频率,寿命长,抗震性好。抗过压范围和防爆压力,在有害环境下耐腐蚀性强。
  • 快速反应电气开关元件
    经CE注册和CSA认证的开关元件可供广泛选择,适应交流和直流应用。
  • 湿式零件
    材料、过程连接配置和尺寸可供广泛选择。

选型说明书 安装说明书

 

快速选型指南


配有标准湿式零件的基本模块适用于空气、油、水等非腐蚀性过程应用,系统压力变化显著时,除附件以外,模块编号中的每一位都必须有外壳。

防水模块编号 可调上升差压MPa[KPa] 死区MPa[KPa] 防爆模块编号
18RB-K2-N4-B1A [3.5-14] [1-5] 18S-K2-N4-B1A
18RB-K5-N4-B1A [17-83) [2.0] 18S-K5-N4-B1A
15RB-K2-N4-B1A (17-55) [5.0] 15S-K2-N4-B1A
15RB-K5-N4-B1A 0.02-0.35 [5.0] 15S-K5-N4-B1A
17RB-K2-N4-B1A 0.03-0.1 [8.5] 17S-K2-N4-B1A
17RB-K3-N4-B1A 0.03-0.4 [9.0] 17S-K3-N4-B1A
17RB-K5-N4-B1A 0.03-0.7 [11] 17S-K5-N4-B1A
14RB-K2-N4-F1A 0.06-0.2 [18] 14S-K2-N4-F1A
14RB-K5-N4-F1A 0.1-1.0 [18] 14S-K5-N4-F1A
13RB-K2-N4-F1A 0.1-0.4 0.04 13S-K2-N4-F1A
13RB-K5-N4-F1A 0.24-2.6 0.05 13S-K5-N4-F1A
16RB-K2-N4-F1A 0.40-1.0 0.15 16S-K2-N4-F1A
16RB-K5-N4-F1A 0.70-7.0 0.15 16S-K5-N4-F1A
活塞 最大压力 耐压
18 0.15MPa 3.0MPa
15 0.9MPa 7.0MPa
17 3.4MPa 7.0MPa
14、13 7MPa 17.0MPa
16 14MPa 17.0MPa

 

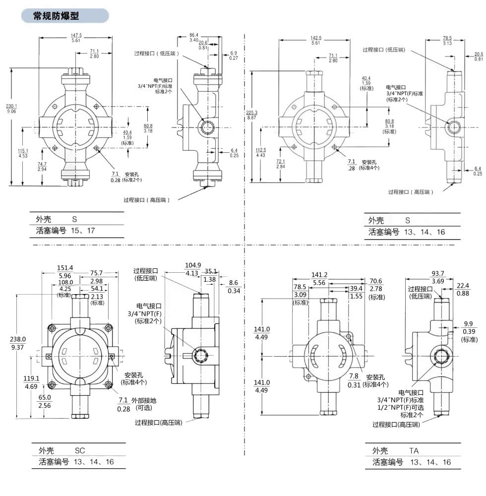
标准结构

  1. 外壳:RB - 铝,S - 铸铁。请参考外壳和尺寸页选择外壳。
  2. 开关元件:K - SPDT 15A 250VAC。见开关元件页选择开关元件。
  3. 垫圈&O型圈。N4 - 主要垫圈(湿式)聚酰亚胺,O型圈(湿式)丁晴橡胶。
  4. 压力口:B1A - 铝1/4" NPT(F);F1A - 炭钢1/4" NPT(F)。见压力口页选择压力口。

 

外壳型号

防水型-NEMA 4,4X,IP65
六位紧凑型标准接线柱
铝材料。
右侧电气出口。
经CSA认证。
开关元件1,3组适用
除材料为不锈钢外与RB相同。经CSA认证。 六位紧凑型标准接线柱
铝材料。
右侧电气出口M20×1.5。
开关元件1,3组适用
危险场合-常规防爆型
I类,A,B,C&D组;
II类,E,F&G组1 2分区
外壳材料:铸铁
法兰安装。
左或右侧电气出口。
防水需加CG选项
开关元件1组适用
I类,A,B,C&D组;
II类,E,F&G组;
1 2分区接线柱或2组的双开关元件需要更大的外
外壳材料:铝。
法兰安装,防水外壳。
左或右侧电气出口。
开关元件1,2,3组适用
外壳材料:铸铁(铝上盖)。
直线安装。
左侧或右侧电气出口。
防水请增加CG选项。
开关元件1组适用
开关元件组/外壳兼容性
组一 组二 组三
A,B,C**,E,G,J,K,KA,L,S,W,Y GG,KK,LL,YY* AA,BB,EE,JJ**
*1. 组二的开关元件没有终端模块。
**2. 开关元件C,AA,BB,EE,JJ与S和TA型外壳不兼容。

开关元件

开关元件 触点输出形式 电气连接类型 交流等级 直流等级 死区系数 标志符
V A V A V A SPDT DPDT SPDT DPDT
常规直流 250 15 125 0.4* 30 5* 1.0 2.0 K KK
低功耗
金接触
125 1 28 1* 1.0 KA N/A
125 1 30 1 1.5 3.5 J JJ
宽死区直流 250 15 125 0.5 3.0 4.0 G GG
直流或交流 250 11 125 0.5* 30 5.0 3.0 4.0 A AA
宽死区交流 250 15 30 10* 3.5 4.5 L LL
窄死区交流 250 5 125 0.5* 30 5* 1.5 3.5 E EE
超宽死
区交流
250 15 125 0.5 5.0 C N/A
超高电容
交流磁吹
250 10 125 ≥1.5
≤10
5.0 S N/A
高外部温度
等级205℃
250 5 125 0.3 3.0 4.0 B BB
250 5 125 0.5* 1.5 2.5 Y YY
250 5 125 0.3* 1.0 W N/A

 

件/选项&描述 标志符
湿式零件被净化,用于工业氧气应用 BB
CSA认证差压开关。适用于RB, RH型外壳 CS
Necprene(氯丁二烯橡胶)上盖盖帽使得S和TA型防爆外壳实现防水 CG
密封的电线束适配器。为外壳内部、开关元件和压力感知组件的干燥端提供保护(从外壳伸出大约2")CSA认证类,A,B,C,D组;II类,E,F,G组;III类。 GG
通气孔 Course finds ECD - 15用于高危场合类,C&D组;II类,E,F,G组;只适用于S或SC外壳。 KK
烧结金属塞,用于防水外壳
真空保护盖。当真空度大于50KPa时,在压力开关中保护垫圈。材料与压力口材料一致,或超过压力口材料。 MM
碳钢本体,带有不锈钢调节螺母 PB
管道安装支架(用于1-1/2或2"管道)。 PK
标签,纤维材料。用塑料线连接至外壳。印有客户指定信息。 PP
标签,不锈钢材料。用不锈钢丝连接至外壳。印有客户指定信息。 RR
防爆和防水电气连接盒。根据需求配备3/4"NPT(F)顶部或右侧电气接口。经CE注册和CSA认证归类,A,B,C&D组;II类,E,F,G组;和TA外壳。(L,LC,S,SC和TA外壳)对于防水应用包含上盖O型圈。 TB
大尺寸不锈钢铭牌或独立的不锈钢标签。永久依附于壳体。印有客户指定信息。 TT
无盖涂料。可覆盖外部和内部,工作零件除外。 VV
CE注册差压开关。适用于B3,B6外壳。 VV
环氧涂层。仅适合外用。聚酰亚胺环氧,配有316SS原料。 YY
锤式上盖套有外部螺纹,符合JIC标准 ZZ
"X" 前缀的模块编号用于特殊需求。每个 "X" 必须在预定中用文字清晰描述。当需要多于 "X" 时,在 "X" 后面跟一个数字。例如,"X3" 表示3个独立但未识别的需求。 X
注意:只适用于表示信息:一个斜线和3位数字(/000)出现在附件编号后面用于厂工的管理过程。它不是模块号的一部分,只用于工厂管理。

上一篇:
展开更多
免费咨询

loading...

免费咨询

loading...